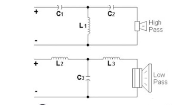
从工作原理看,分频器就是一个由电容器和电感线圈构成的滤波网。高音通道只让高频信号经过而阻止低频信号;低音通道正好相反,只让低音经过而阻止高频信号;中音通道则是一个带通滤波器,除了一低一高两个分频点之间的频率能够经过,高频成分和低频成分都将被阻止。
看似简单,但在实践运用的分频器中,为了均衡上下音单元之间的灵活度差别,厂家们需依据不同状况参加大小不一的衰减电阻或是由电阻、电容构成的阻抗补偿网络,不同的设计和消费工艺自然使分频器这个看似不起眼的元件在音箱中产生了效果不一的影响。而这些细节,是正式HIFI器材必需追求的,这也是HIFI与普通民用设备的根本区别。
音箱分频器就是能够将声音信号的频率分开,将不同频段的声音信号区分开来,然后放大送往相应高低频段的扬声器中,实现高低不同音质的效果就是音箱分频器。
1.分频器一般故障是电容、电阻、电感烧坏,应换同等数据的。如果烧坏看不到原数据,就只能拆开另一只音箱查看相对应元件数据。找不到同等数据元件,可用串、并联方式获得,功率只能大不能小。电感线圈烧坏后只能重新绕制。
2.找~段外径约为+25mm的塑料管,截取20mm—50mm作为骨架套,在其两侧临时加两个直径大于φ50mm的挡板,按原来线圈匝数,用φ1.0-1.2mm漆包线绕制,绕完后去掉挡板,临时用漆包线分四个部位将线圈绑定成型,然后浸漆。待线圈干透詹去掉临时绑扎的漆包线,将其装到分频器板上。
低音喇叭电感线圈和变压器均是用绝缘导线(例如漆包线、纱包线等)绕制而成的电磁感应元件,也是电子电路中常用的元器件之一,相关产品如共膜滤波器等。
电容是表征电容器容纳电荷的本领的物理量,非导电体的下述性质:当非导电体的两个相对表面保持某一电位差时(如在电容器中),由于电荷移动的结果,能量便贮存在该非导电体之中电容(或称电容量)是表征电容器容纳电荷的本领的物理量。
在音箱分频器中要知道电容电阻电感线圈各有什么作用,首先要知道它们的特性。比如电容是通高频阻低频,所以频率越高越容易通过,所以他的输出送到高音!电感正好相反,阻高频通低频,所以他输出给低频。
所以分频器的电容量较小,阻碍低音频通过,让高音或中音频通过,使喇叭的高音或中音更清晣;电感线圈阻碍高、中频通过。让低频通过使喇叭的低音更混厚;电阻的作用是限流或作为假负载。低音喇叭电感线圈。
低音喇叭电感线圈,如果直流电阻大时,不仅额定损耗增加,扬声器的电磁阻尼也将减小,使瞬态特性变坏,所以电感线圈的直流电阻要相当小。特别是与扬声器串联使用时,电感线圈的直流电阻至少应小于扬声器阻抗的1/10。为了满足这一条件,通常使用空心的、非常大的、加进铁心的线圈。但是,由于铁心磁导率随输入而变化,并且由于磁饱和点低,容易产生失真,所以对材料的性质及形状进行仔细地研究。主要是使用铁氧体或硅钢片。
上图所示为各种电感线圈的失真特性的例子。铁氧体的形状大多使用鼓形或棒形。积层硅钢片大多使用E形或棒形。应使磁路开路,铁心的效果应设计得能够尽量抑制失真。
绕线材料中,导体大多使用铜线,根据铜线绝缘层的种类而有不同的名称。用作分频网络的线圈,大多使用漆包线或聚乙烯绝缘线,它们的绝缘能力和抗药性优良。在特别需要耐热性的地方,可以使用聚醋线或聚四氟乙烯线。下图所示为空心电感线圈与铁芯电感线圈的对比图。
想要了解更多电感线圈欢迎咨询!

-THE END -
版权东莞颐特电子所有 如涉及版权问题请及时联系处理
电感丨贴片电感丨一体成型电感丨共模电感丨绕线电感丨磁环电感丨功率电感丨电感厂家丨颐特电子